Elektrický zámek DORCAS DS41-2NF 8-12V AC/DC 16mm
Elektrické zámky v sérii 41-2 vynikají především svým úzkým provedením (16 mm) a radiální západkou, která se otáčí pouze v mechanismu zámku. Instalace je jednodušší, estetičtější a umožňuje menší výřez v rámu dveří. Série je tedy vhodná pro dveře z většiny materiálů (hliníkové, plastové apod.).
Tento zámek je v poloze „otevřeno“ jen po dobu trvání napěťového impulzu, tedy pouze po dobu, po kterou je tlačítko na ovládacím zařízení aktivováno. Mimo tuto dobu je zámek „uzamčen“. Uvedený typ pracuje se střídavým nebo stejnosměrným napětím.
VLASTNOSTI
napájení 8 až 12V AC/DC
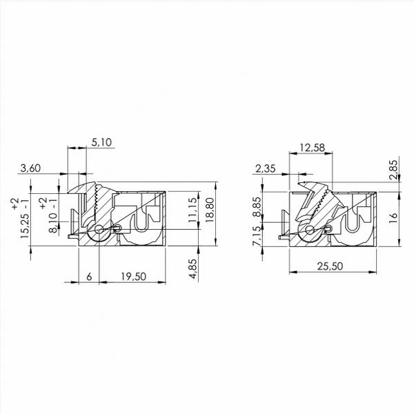
rozměry zámku: 66 x 16 x 22,5 mm (V x Š x H)
nastavitelná radiální západka až o 3 mm
součástí zámku je také krátká lišta o rozměrech: 110 x 25 mm (V x Š)
odběr cívky 700 mA
Vhodné použití:
Vhodný pro vchodové dveře kanceláří, firem, domů apod. Vhodný tam, kde je vyžadován kontrolovaný pohyb osob a sledovanost otevřených a zavřených dveří.











